Вернуться   Архангельский клуб владельцев и любителей автомобиля Шевроле Нива > Покупка автомобиля и опыт эксплуатации > Опыт эксплуатации Шевроле Нивы

Опыт эксплуатации Шевроле Нивы Отчеты об эксплуатации, обсуждение проблем, личного опыта, гарантийного обслуживания


Ответ
 
Опции темы Опции просмотра
Старый 25.09.2015, 16:30   #61
SVK
Модератор
 
Аватар для SVK
 
Регистрация: 20.03.2009
Имя: Сергей
Адрес: Архангельск
Сообщений: 5,424
Изображений: 9
Вес репутации: 136
Репутация: 1947
Re: Кондиционер в ШНиве: обсуждение, обмен опытом

Цитата:
Сообщение от Sanya Посмотреть сообщение
там оказывается нечем ипать

Шо? Говорите по-русски, а-то моя твоя не понимайт...
__________________




Я-бы изменил мир, но бог исходников не даёт...
SVK вне форума   Профиль SVK Послать SVK личное сообщение Найти сообщения SVK Ответить с цитированием
Старый 26.09.2015, 21:25   #62
Помор
Гуру
 
Регистрация: 10.04.2010
Имя: Владимир
Адрес: Архангельск
Сообщений: 390
Вес репутации: 65
Репутация: 378
Re: Кондиционер в ШНиве: обсуждение, обмен опытом

73000 - кондей работает
Помор вне форума   Профиль Помор Послать Помор личное сообщение Найти сообщения Помор Ответить с цитированием
Старый 07.11.2015, 16:10   #63
iron83
Новичок
 
Регистрация: 07.11.2015
Имя: Михаил
Адрес: Рязанская область г.Рыбное
Авто: НИВА ШЕВРОЛЕ
Сообщений: 1
Вес репутации: 0
Репутация: 0
Re: Кондиционер в ШНиве: обсуждение, обмен опытом

Ребята подскажите собрался менять радиатор печки оказалось надо снимать кондиционер кто знает как его слить.
iron83 вне форума   Профиль iron83 Послать iron83 личное сообщение Найти сообщения iron83 Страничка iron83 Ответить с цитированием
Старый 07.11.2015, 19:37   #64
Винипух
Гуру
 
Аватар для Винипух
 
Регистрация: 30.01.2011
Имя: Иван
Адрес: Новодвинск
Возраст: 53
Авто: TOYOTA COROLLA (E150) 2013
Сообщений: 915
Изображений: 1
Вес репутации: 82
Репутация: 1710
Re: Кондиционер в ШНиве: обсуждение, обмен опытом

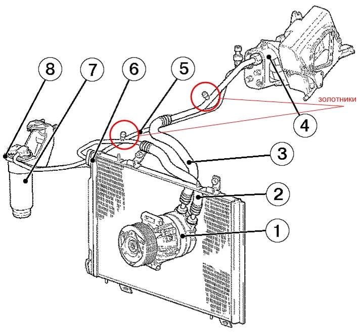
что значит "слить"? там газ - давление можно сбросить можно через золотник (между правой фарой и двигателем, под пластиковым колпачком) - или банально потихоньку раздать любой удобный разьём.

систему нужно заправить обратно как можно быстрее..
Миниатюры
Нажмите на изображение для увеличения
Название: кондей2.JPG
Просмотров: 2760
Размер:	66.7 Кб
ID:	9771  
__________________


...в голове моей опилки - не беда......

Винипух вне форума   Профиль Винипух Послать Винипух личное сообщение Найти сообщения Винипух Ответить с цитированием
Старый 07.05.2018, 18:11   #65
Gektor
Новичок
 
Аватар для Gektor
 
Регистрация: 12.12.2017
Имя: Евгений
Адрес: Мирный
Возраст: 40
Сообщений: 18
Вес репутации: 0
Репутация: 0
Re: Кондиционер в ШНиве: обсуждение, обмен опытом

При нашей зиме смысла включать кондер нет)
Gektor вне форума   Профиль Gektor Послать Gektor личное сообщение Найти сообщения Gektor Ответить с цитированием
Старый 07.05.2018, 23:12   #66
bor-bor
Гуру
 
Аватар для bor-bor
 
Регистрация: 04.12.2009
Имя: Борис
Адрес: Северодвинск
Авто: Нива Шевроле LE+ 2018 г.
Сообщений: 462
Изображений: 35
Вес репутации: 77
Репутация: 1285
Re: Кондиционер в ШНиве: обсуждение, обмен опытом

Цитата:
Сообщение от Gektor Посмотреть сообщение
При нашей зиме смысла включать кондер нет)

Его можно включить при повышенной влажности в машине чтобы стекла не запотевали, зимы то у нас разные бывают. А так-то в основном летом у меня часто включается - на трассе или грунтовке когда едешь в пыли в жару
bor-bor вне форума   Профиль bor-bor Послать bor-bor личное сообщение Найти сообщения bor-bor Ответить с цитированием
Ответ



Закладки


Здесь присутствуют: 1 (пользователей: 0 , гостей: 1)
 

Ваши права в разделе
Вы не можете создавать новые темы
Вы не можете отвечать в темах
Вы не можете прикреплять вложения
Вы не можете редактировать свои сообщения

BB коды Вкл.
Смайлы Вкл.
[IMG] код Вкл.
HTML код Выкл.

Быстрый переход

Похожие темы
Тема Автор Раздел Ответов Последнее сообщение
Охота: обсуждение и обмен опытом симсон Хобби 789 06.11.2017 20:09
Автопокраска: обсуждение, выбор, обмен опытом Fuji Сервисы и качество. Автомойки. 80 07.11.2016 20:00
Браслеты противоскольжения: обсуждение и обмен опытом аструм Внедорожная подготовка ШНивы и не только 46 02.08.2015 12:20
Кондиционер: проблемы и решения greativ Опыт эксплуатации Шевроле Нивы 46 18.10.2012 21:32


Часовой пояс GMT +3, время: 17:11.


Powered by vBulletin® Version 3.8.1
Copyright ©2000 - 2026, Jelsoft Enterprises Ltd. Перевод: zCarot

Top.Mail.Ru Яндекс.Метрика International NIVA Club